Купить Распределитель с кнопкой, Арт. 3N58-910 производства Камоцци, вы можете в компании KSAMASTER (КСАМАСТЕР), оформив заказ в интернет магазине, отправив заявку по почте info@ksamaster.com, позвонив по телефону +7 (8552) 919-689 или в офисе компании
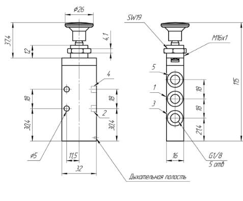
Конструкция = золотникового типа
Усилие переключения = 20H
Рабочее давление = -0,9 : 10 Бар
Расход воздуха = 950 Нл/мин
Количество линий - функция: 5/2 лин/поз
Присоединение = 1/8 G
Переключатель = фиксируемая кнопка
Доставка по городу Набережные Челны от 300 рублей (доставка осуществляется 1-2 дня)
Самовывоз бесплатно.
Доставка в другие регионы транспортной компанией или почтой России от 2 до 15 дней (за счет покупателя).
Получите бесплатную консультацию от нашего ведущего специалиста прямо сейчас!