Купить Соленоид (катушку) 24V DC 3W Арт. CL-67, производства Камоцци (Camozzi), вы можете в компании KSAMASTER (КСАМАСТЕР), оформив заказ в интернет магазине, отправив заявку по почте info@ksamaster.com, позвонив по телефону +7 (8552) 919-689 или в офисе компании
Применяемость: распределители серий EL, 9L, ELN; для клапанов безопасности и мягкого пуска серии NXM
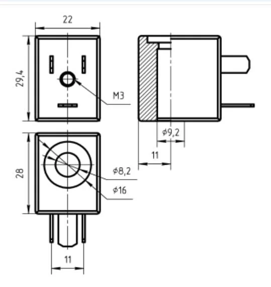
Размеры соленоида: 28,2х22х29,5
Класс изоляции А (155 *C)
Класс защиты: IP54 - DIN 40050
ПРИМЕЧАНИЕ:
Имеет увеличенные размеры благодаря дополнительной обмотке, которая удерживает магнитное поле и позволяет удерживать плунжер пилотного клапана распределителя в переключенном состоянии при низком электропотреблении 0,7 Вт.
Доставка по городу Набережные Челны от 300 рублей (доставка осуществляется 1-2 дня)
Самовывоз бесплатно.
Доставка в другие регионы транспортной компанией или почтой России от 2 до 15 дней (за счет покупателя).
Получите бесплатную консультацию от нашего ведущего специалиста прямо сейчас!